LOGO OA教程 ERP教程 模切知识交流 PMS教程 CRM教程 开发文档 其他文档  
 
网站管理员

DPR分销管理的基本问题、模式和目标

admin
2011年3月16日 23:38 本文热度 11612
 一、基本问题

随着企业销售规模快速扩展、日益增加的业务量、企业管理信息快速膨胀,必然引起对集成管理的高要求与缺乏科学的管理工具的矛盾。下面这些问题几乎是每一个通过分销渠道销售产品的企业必然遇到和感到头痛的问题:


如何继续降低成本?
如何合理控制库存?
如何规避财务风险,有效控制企业应收应付款项?
如何及时提供企业的经营与管理决策能力所需要的各项数据和报表?
如何定量控制业务员的销售指标和业绩?
如何确保供货的及时性?
如何避免业务员跳槽带来的业务波动?
如何让客户感觉资料查询更方便,商务处理更快捷,财务对帐更容易?
如何提高工作效率,减少失误?
如何迅速建立或扩充销售体系?
如何避免高速发展带来的管理滞后?
如何缩短进入市场的时间?
如何定量对分销商和供应商进行科学的信用分析?
如何增加客户的忠诚度与满意度?
如何有效管理分公司?
如何有效管理分销商?
如何掌握重要的客户资源?
如何有效管理自己的分销体系?
如何能成为本行业的佼佼者?
如何实现营销全球化?
如何充分发挥IT投资以获得更大的回报率? 
上述问题是企业最关心的问题,也是我们与用户一起要解决的问题


二、业务框架




  1. DRP与ERP、CRM


    很多人搞不清楚DRP、ERP和CRM(客户关系管理)的关系。实际上,ERP和CRM中都包含了DRP基本部分所涵盖的内容,但各有侧重。ERP侧重于同生产一体化,CRM侧重于对现有数据进行分析,DRP实际上是结合了ERP和CRM的优点,针对中国国情渠道多样化的特点,自成一体,发展成为一个完整的渠道和营销管理系统,同时又可以同ERP、CRM通过开放的标准融为一体,成为一个完整解决方案的资源管理系统。它同ERP和CRM的关系为:



DRP、ERP、CRM之间的关系


     DRP与ERP、CRM、PRM(合作伙伴关系管理)、内容管理等有着密切的关系。认识到它们的区别和关联,无论对客户还是对软件商,都有很大的意义。当前,有一些产品已经将DRP与它们结合起来。

  首先,虽然ERP和CRM的供应商都声称它们具有销售管理的功能,但含义却不尽相同。应用CRM销售管理的目的是提高销售人员的工作效率和知识共享程度,来提高客户满意度。它主要提供销售员、销售队伍、销售佣金、客户信息、联系人信息、销售机会(项目)、竞争对手信息、客户交互过程等功能。与DRP不同,对大部分 CRM软件来讲,销售管理功能主要是给销售员用的,而不是给销售订单处理人员和财务人员使用。当然,一些大型CRM系统提供网上的B2B定单管理管理功能,与某些DRP系统类似,使得分销商可在网上查阅库存、下定单、检查定单状态。

  其次,对于ERP来说,DRP是ERP系统销售定单管理、库存管理和产品管理的一个扩展,二者之间,有着密切的、千丝万缕的联系。如DRP是Frontstep扩展的ERP系统的一个模块。ERP主要关注于企业内部信息化,而DRP则将管理范围扩展到外部的分销渠道上。在大多ERP产品中,特别是中小型ERP产品中,DRP更多地是进销存,在需求预测、库存预测和优化、多业务单元处理等方面,功能比较薄弱,难以适应连锁店、办事处、分销商这样的经营模式对分销管理的要求。


  方程DRP(网络分销管理系统)系统 既融合了很多ERP的特有的功能,如计划管理、人力资源管理、成本管理等,又加入了很多CRM的分析和预测功能,如能生产无数种报表的报表引擎工具等。 同时它又加入了很多特色的功能,如促销管理、新闻管理等。独立形成了一个闭环系统。虽然说比较完善的ERP系统(如SAP)几乎包含了DRP的所有功能,但其销售模块部分不能单独出售,成本高昂(基本在1000万以上) ,在某些方面不能适应国内复杂多变的营销和操作模式。同时配置复杂,应用和实施风险很大。国内号称ERP的系统,往往可以满足某一方面的问题,在销售模块方面, 则往往非常简单。相比较而言,DRP(网络分销管理系统)系统价格相对比较便宜。一般不会超过500万人民币。简单的应用甚至只需要几千元人民币就可以了。


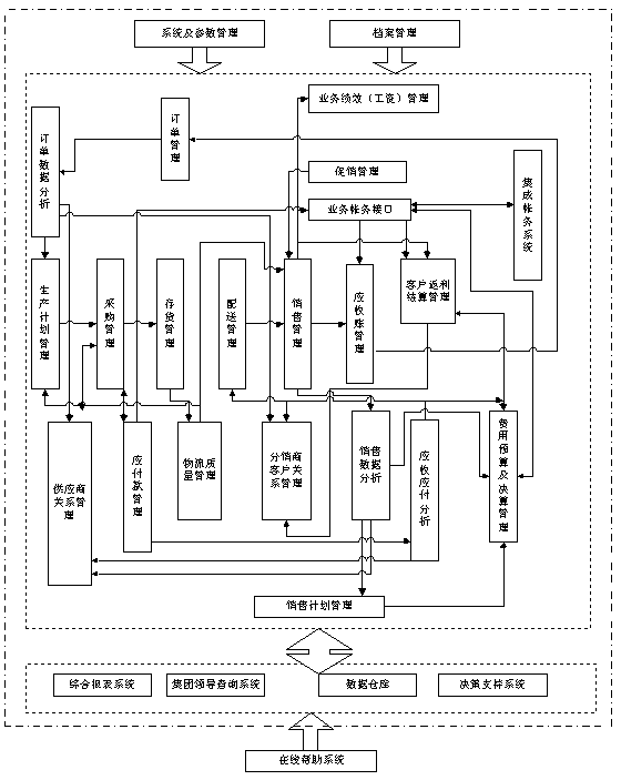
   方程公司DRP(网络分销管理系统)系统主要内容                                       


    下图涵盖了方程DRP(网络分销管理系统)系统 的主要功能:



 


 


 


 


 


 


 


 


 


 


 


 


 


 


 


 


 


 


 


    上图中,又分很多细小的模块。比如订单又分普通订单和期货订单,订单来源可能是客户自己下的,也有可能是代下的订单。每一种订单的处理方式也有不同,以及不同类别订单之间的相互转换等等。
    不同公司由于对业务的理解深度不同,在细节方面存在巨大差距。


三、目标问题




  1. 系统适用的企业模式


方程DRP(网络分销管理系统)系统 适用于利用分支机构或者渠道伙伴实现产成品销售的产销一体化企业或者商贸类企业,用来提高其分支机构或渠道伙伴的销售管理水平和电子商务能力,实现对分支机构或渠道伙伴上报数据的汇总和分析。


    产销一体化的一般模式:



    贸易型企业的一般模式:





  1. 为什么要使用网络分销系统  



先让我们来看一下传统的业务信息收集方式和手段,大多数企业目前仍然采用的是这种方式:


        


  以上的方法是企业用于了解遍布各地的销售机构业务信息的常用手段,但随着市场竞争的日趋激烈和企业的不断发展,逐渐出现以下问题:


            工作量随信息的增加而增加


·            基层人员的工作复杂而琐碎,且存在大量的重复性


¸           总部人员存在大量的合并工作


¹           数据准确性较差


º           数据的纸面化管理使数据的保存、查询难以实现,保密性差


»           存在大量的通讯费用和通讯设备维护费用




  • 企业分销体系信息化的模式和必要性


面对复杂的市场竞争,感性的经验管理逐渐失去效用,拍脑袋绝不能解决问题,必须建立管理的理性权威。对于企业销售管理来说理性权威来自于销售前沿的及时业务数据,企业领导和管理部门必须立即知道:每天卖了什么?多少?价格?比率?……


制约管理能力的瓶颈是缺乏高效信息系统的支持,企业分销体系运作的效率也必须靠高效率信息系统的支持,新时期企业的战略——以速度打击规模,更需要反应迅速的信息系统的支撑。


其中,分销体系中销售计划准确性的问题和影响尤其重要。计划不准确的现象,导致分销/生产的混乱。销售网络各层次逐级发生偏差、下级要货/上级配货情况和实际市场销售大相径庭,往往造成积压、丢失商机,损失难以挽回。提高计划准确性的可靠手段是将企业分销体系建立在高效的信息化系统之上,在整个网络体系内部形成信息传递和分析电子化,从而让企业领导和管理部门及时迅速掌握各项基础市场销售数据,并加以分析,逐渐提高销售计划和预测的准确性,延长预测计划周期,使生产和分销接近预测水平。从总体上提高企业管理在市场变化中的可计划性,最终实现减少库存资金占用,加快资金周转速度,创造更大利润的管理效果。


从以上分析我们可以得出一个明确的结论:企业最终目的不仅是上规模上速度,更重要的是要有持续增长的收益和利润。在当今企业销售体系中货物资金占用上升,管理费用上升,利润不知所在的现象非常普遍。具有敏锐头脑的企业管理者很容易想到借助IT手段来解决问题,但什么样的信息化手段对企业分销体系最合适呢?方程软件公司在总结国内外应用经验及自身实践的基础上推出了面向决策和计划为主的分销业务计划和决策分析系统-方程DRP(网络分销管理系统)系统 。


该文章在 2011/3/16 23:38:01 编辑过
关键字查询
相关文章
正在查询...
点晴ERP是一款针对中小制造业的专业生产管理软件系统,系统成熟度和易用性得到了国内大量中小企业的青睐。
点晴PMS码头管理系统主要针对港口码头集装箱与散货日常运作、调度、堆场、车队、财务费用、相关报表等业务管理,结合码头的业务特点,围绕调度、堆场作业而开发的。集技术的先进性、管理的有效性于一体,是物流码头及其他港口类企业的高效ERP管理信息系统。
点晴WMS仓储管理系统提供了货物产品管理,销售管理,采购管理,仓储管理,仓库管理,保质期管理,货位管理,库位管理,生产管理,WMS管理系统,标签打印,条形码,二维码管理,批号管理软件。
点晴免费OA是一款软件和通用服务都免费,不限功能、不限时间、不限用户的免费OA协同办公管理系统。
Copyright 2010-2026 ClickSun All Rights Reserved  粤ICP备13012886号-2  粤公网安备44030602007207号